産品(pin)時間:2025-12-01
FS4001系列氣體(tǐ)流量監測傳(chuán)感器适用于(yu)各類清潔氣(qì)體。*的㊙️封裝技(jì)術使之可用(yong)于各類管徑(jìng),成本低、易安(an)裝、不需要溫(wēn)度壓力補償(chang),可替代容積(ji)式或壓差式(shi)的傳統流量(liàng)傳感器。
産品簡介:
FS4001系(xì)列 氣體流量(liang)監測傳感器(qì) 是專門(men)爲各類小流(liu)量氣體的測(cè)量和過程控(kong)制而設計的(de)🌈。這🤩一系列傳(chuan)感器均采用(yong)本公司自主(zhǔ)研發的微機(jī)電系統( MEMS )流量傳感芯(xin)片來制作。
FS4001系(xì)列 氣體流量(liàng)監測傳感器(qi) 适用于(yu)各類清潔氣(qi)體。*的封裝技(jì)術使之可用(yong)于各類管徑(jìng),成本低、易安(an)裝、不需要溫(wen)度壓力補償(chang),可替代容積(ji)式或壓差式(shì)的傳統流量(liàng)傳感器。
産品特(te)點:
-
傳感(gan)器靈敏度高(gāo)
,
有極小(xiao)的始動流量(liang)
-
傳感器(qi)芯片采用熱(re)質量流量計(ji)量
,
無需(xū)溫度壓力補(bǔ)償
,
保證(zheng)了傳
-
感(gǎn)器的高精度(dù)計量
-
在(zai)單個芯片上(shàng)實現了多傳(chuán)感器集成
,
使傳感器(qi)的量程比大(da)大提高
-
傳感器的零(ling)點穩定度高(gāo)
-
全量程(cheng)高穩定性
-
全量程高(gāo)精确度和優(you)良的重複性(xing)
-
低功耗(hao)
-
低壓損(sun)
-
響應時(shi)間快
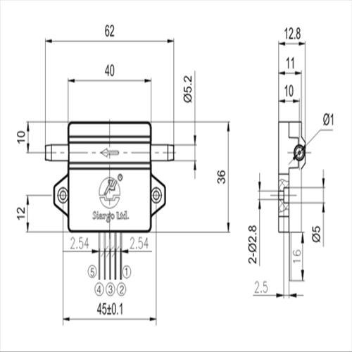
機(ji)械尺寸:
主要參(can)數:
|
性能參數(shu) |
FS4001 |
單位 |
|
|
通 徑 |
1.0 |
1.8 |
mm |
|
大(da)流量 |
30, 100, 200 |
500, 1000 |
SLPM |
|
量程比(bi) |
>100:1 |
|
|
|
精 度 |
±(1.5+0.2FS) |
% |
|
|
重複性(xìng) |
0.25 |
%讀數 |
|
|
零點輸(shū)出飄移 |
±30 |
mV |
|
|
輸出(chū)飄移 |
±0.12 |
%/oC |
|
|
響應時(shi)間 |
4, 8, 16, 33 , 65 , 131 |
mses |
|
|
工作電源(yuán) |
8~18Vdc,50mA |
|
|
|
輸出方式 |
線(xian)性,RS232/模拟電壓(yā)0.5~4.5Vdc |
|
|
|
大流量壓損(sun) |
350 |
300 |
pa |
|
大工作壓力(lì) |
0.5 |
MPa |
|
|
工作溫度 |
-10 ~ +55 |
oC |
|
|
存(cún)儲溫度 |
-20 ~ +65 |
oC |
|
|
工作(zuo)濕度 |
<95%RH(無結冰(bing)、無凝露) |
|
|
|
機械(xiè)接口 |
可拆式(shi)軟管接頭 |
|
|
|
校(xiao)準方式 |
空氣(qì)(或其他氣體(tǐ)),20oC,101.325kPa |
|
|
|
重量 |
15 |
g |
|
©2024 廣州迪(di)川儀器儀表(biao)有限公司() 版(ban)權所有 總訪(fǎng)問量:487913 GoogleSitemap
地址:廣(guǎng)州市番禺區(qu)石基鎮前鋒(fēng)南路125号恒星(xīng)工業園東座(zuò)四;樓 技術支(zhi)持:智能制造(zào)網 管理登陸(lù) 備案号:京ICP證(zhèng)000000号
廣州迪川(chuān)儀器儀表有(you)限公司專業(ye)提供FS4001氣體流(liu)量監測♊傳感(gan)🐆器等産品信(xin)息,歡迎來電(dian)咨詢!
•›
•• ·
·•