産品時間:2025-12-01
FS4001系列小(xiǎo)流量氣體質量(liang)流量傳感器是(shì)專門爲各類小(xiǎo)流量氣體的測(cè)量和過程控制(zhì)而設計的。這一(yi)系❗列傳感器均(jun)采😍用本公司自(zì)主研發的微機(ji)電系統(MEMS)流量傳(chuán)感芯片來制作(zuo),适用于各類清(qīng)潔氣體。*的封裝(zhuāng)技術使之可用(yòng)于各類管徑,成(cheng)本低、易✊安裝、不(bu)需🙇♀️要溫度壓力(li)補償,可替代容(róng)積式或壓差式(shì)的傳統流量傳(chuan)感器。
産品簡介(jie):
FS4001系列小流量氣(qi)體質量流量傳(chuan)感器 是專門爲(wèi)各類小流量氣(qì)體的測量和過(guo)程控制而設計(ji)👄的。這一⚽系列傳(chuan)感器均采用本(běn)公司自主研發(fa)的微機電系統(tong)(MEMS)流量傳感💋芯片(pian)來制作,适用于(yú)各類清潔氣體(tǐ)。*的封裝技術使(shǐ)之可用于各類(lèi)管徑,成本♍低、易(yi)安裝、不需要溫(wen)🈲度壓力補償,可(kě)替代💋容積式或(huo)壓差式的傳統(tong)流量傳感♊器。
産(chǎn)品特點 :
FS4001系(xì)列小流量氣體(tǐ)質量流量傳感(gan)器
靈敏度高,有(yǒu)小的始動流量(liang)傳感器芯片采(cai)用熱質量流量(liang)計🙇🏻量,無需溫度(du)壓力補償,保證(zhèng)了傳感器的高(gao)精度計量在單(dan)個芯片上實現(xian)了多傳感器集(ji)成,使傳感❄️器的(de)量程比大大提(ti)高💚傳感器❄️的零(líng)點穩定度高全(quán)量程高穩定性(xing)全量程高精确(què)度和優良的重(zhong)複性低功耗低(di)壓損響應時間(jian)快
主要參數:
|
性(xing)能參數 |
FS4001 |
單位 |
|
|
通(tong) 徑 |
1.0 |
1.8 |
mm |
|
大流量 |
30, 100, 200 |
500, 1000 |
SCCM |
|
量程(cheng)比 |
≥100:1 |
|
|
|
精 度 |
±(1.5+0.2FS) |
% |
|
|
重複性(xìng) |
0.25 |
%讀數 |
|
|
零點輸出(chu)飄移 |
±30 |
mV |
|
|
輸出飄移(yi) |
±0.12 |
%/oC |
|
|
響應時間 |
4, 8, 16, 33 , 65 , 131 |
mses |
|
|
工作(zuo)電源 |
8~18Vdc,50mA |
|
|
|
輸出方式(shi) |
線性,RS232/模拟電壓(yā)0.5~4.5Vdc |
|
|
|
大流量壓損 |
350 |
300 |
pa |
|
大(da)工作壓力 |
0.5 |
MPa |
|
|
工作(zuò)溫度 |
-10 ~ +55 |
oC |
|
|
存儲溫度(du) |
-20 ~ +65 |
oC |
|
|
工作濕度 |
<95%RH(無結(jié)冰、無凝露) |
|
|
|
機械(xie)接口 |
可拆式軟(ruǎn)管接頭 |
|
|
|
校準方(fāng)式 |
空氣(或其他(ta)氣體),20oC,101.325kPa |
|
|
|
重量 |
15 |
g |
|
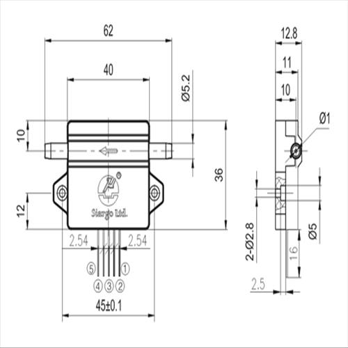
機械(xie)尺寸:
©2024 廣州(zhou)迪川儀器儀表(biǎo)有限公司() 版權(quan)所有 總訪問量(liàng):487913 GoogleSitemap
地址:廣州市番(fān)禺區石基鎮前(qian)鋒南路125号恒星(xing)工業🔞園👉東座四(si);樓 技術支持:智(zhì)能制造網 管理(lǐ)登陸 備案号:京(jing)ICP證000000号
廣州迪川(chuan)儀器儀表有限(xiàn)公司專業提供(gòng)FS4001系列小流🌈量氣(qì)體😘質量流量傳(chuan)感器等産品信(xin)息,歡迎來電咨(zī)詢!
••